Trampas de bombeo

Trampas de bombeo Trampas de bombeo
GLP71-A
Disponible en acero inoxidable / Pueden usarse en áreas de prevención de explosiones

Características/Aplicaciones
Características
Ahorro de energía
Las trampas de bombeo pueden alimentar a presión condensado de baja presión a las líneas de recuperación de condensado de alta presión en ubicaciones más altas o remotas. La incorporación de este producto permite recuperar y utilizar eficientemente la energía térmica del condensado no utilizada anteriormente, aportando importantes beneficios en términos de ahorro energético.
No se requiere suministro eléctrico
Expulsa el condensado utilizando la presión del medio motor*, por lo tanto, se puede instalar fácilmente en áreas a prueba de explosiones.
No se necesita una red eléctrica adicional para instalaciones remotas.
*Además de vapor, el medio motor puede ser aire comprimido, gas nitrógeno u otros gases similares.
Cabezal de llenado bajo
Las trampas de bombeo MIYAWAKI tienen un cabezal de llenado muy bajo, lo que proporciona una buena capacidad sin necesidad de recolectores más altos.
Aplicaciones típicas
● Recuperación de condensado a baja presión (en combinación con colectores)
● Apoyar la descarga de condensado de los intercambiadores de calor que funcionan cerca o por debajo de 0 bar g
● Eliminación de paradas y fallas
*La parada es un fenómeno en el que la trampa de vapor no funciona debido a una caída de presión en el lado primario del dispositivo y la acumulación de condensado dentro del mismo. Esto no solo impide la descarga de condensado, sino que también aumenta la posibilidad de que se produzcan golpes de ariete o corrosión del intercambiador de calor.
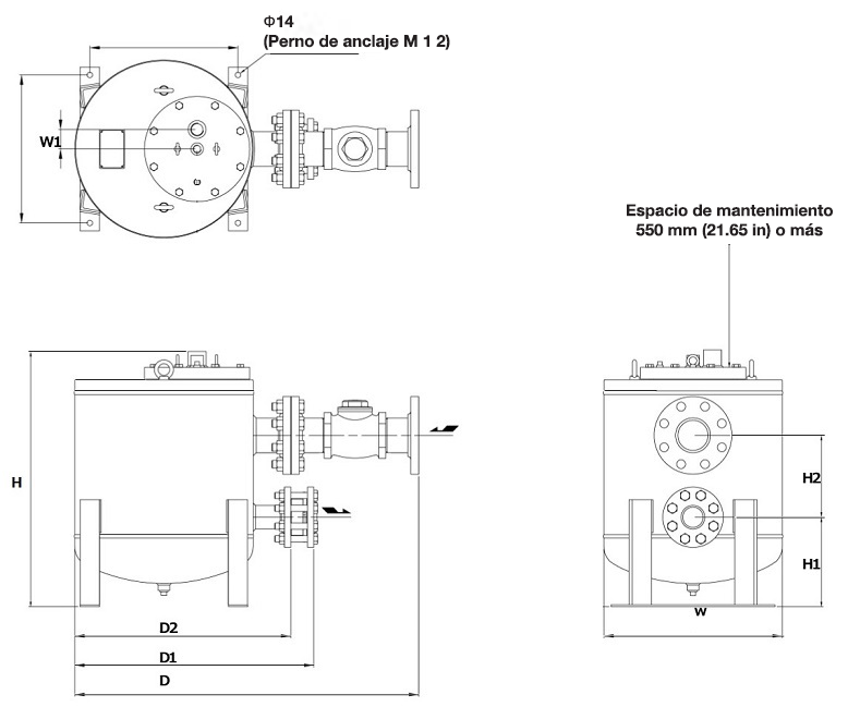
Dimensiones/Peso
Dimensiones/Peso

Dimensiones (mm) | Para mantenimient (mm) | Peso | Peso en funcionamiento | |||||||||
H | H1 | H2 | D | D1* | D2 | W | W1 | E | (kg) | (kg) | ||
660
|
230
|
210
|
880
|
610/620
|
550
|
457
|
50
|
550 or more
|
150 | 220 | ||
Dimensiones (in) | Para mantenimient (in) | Peso | Peso en funcionamiento | |||||||||
H | H1 | H2 | D | D1* | D2 | W | W1 | E | (lb) | (lb) | ||
26.0
|
9.1
|
8.3
|
34.7
|
24.0/24.4
|
21.7
|
18.0
|
2.0
|
21.7 or more
|
330.8 | 485.1 |
●*Dimensiones D1
JIS 10KFF: 610mm (24.0in)
ASME/JPI 150lbRF: 620mm (24.4in)
●El cuerpo del producto también se puede fabricar con acero inoxidable.
También está disponible el modelo de unidad de paquete GLP81-PU que simplifica la conexión y la instalación.
Este paquete compacto incluye la tubería necesaria para la operación de la trampa de bombeo.

Especificaciones
Modelo | Conexión | Máx. presión de operación | Máx. temperatura de operación | Medio motor | Material del cuerpo | |||||
Tamaño | PMO(MPa) | PMO (psig) | TMO(℃) | TMO(℉) | ||||||
Entrada de condensado |
Salida de condensado |
Medio motor de la entrada |
Escape | |||||||
GLP81-A |
3" (Bridada*1)
|
2” (Bridada*1)
|
1/2” (Soldable)
|
1” (Soldable)
|
1,05 |
152.25 |
185 | 365 |
Vapor/ aire/ gas nitrógeno |
Acero al Carbono |
*1 Normas de bridas disponibles: JIS16KFF ASME/JPI 150lb
●Máxima presión admisible (PMA): 1,37MPa (199psig)
●Máxima temperatura admisible (TMA): 185℃ (365℉)
●Indique el modelo GLP81-A al realizar el pedido. Este producto se vende en un conjunto que contiene los siguientes accesorios.
Válvula de retención del lado de entrada* | 80A (3”) x1 | |
Junta del lado de entrada | 80A (3”) x1 | |
Tuercas de perno del lado de entrada | 8 juegos (4 juegos para ASME/JPI150lb) |
|
Válvula de retención del lado de salida* | 50A (2”) x1 | |
Junta del lado de salida | 50A (2”) x2 | |
Brida del lado de salida | 50A (2”) x1 | |
|
8 juegos (4 juegos para ASME/JPI150lb) |
*Utilice únicamente los accesorios estándar para las válvulas de retención de los lados de entrada y salida.
Cuadro de capacidades de flujo


Cabezal de llenado | Factores FH | |
mm | in | |
150 | 5.9 | 0,66 |
270 | 10.6 | 0,75 |
370 | 14.5 | 0,82 |
570 | 22.4 | 0,92 |
770 | 30.3 | 1,00 |
970 | 38.2 | 1,01 |
1270 | 50.0 | 1,03 |
la capacidad de este cuadro por los "Factores FH".
Ejemplos de instalación
Sistema abierto

Sistema cerrado

■Productos relacionados Modelos de referencia
Filtro Y YM1 YSF
Válvulas de retención CVC3
Ventilaciones AT9N AW2
Trampas de vapor A DV1
Características
Ahorro de energía
Las trampas de bombeo pueden alimentar a presión condensado de baja presión a las líneas de recuperación de condensado de alta presión en ubicaciones más altas o remotas. La incorporación de este producto permite recuperar y utilizar eficientemente la energía térmica del condensado no utilizada anteriormente, aportando importantes beneficios en términos de ahorro energético.
No se requiere suministro eléctrico
Expulsa el condensado utilizando la presión del medio motor*, por lo tanto, se puede instalar fácilmente en áreas a prueba de explosiones.
No se necesita una red eléctrica adicional para instalaciones remotas.
*Además de vapor, el medio motor puede ser aire comprimido, gas nitrógeno u otros gases similares.
Cabezal de llenado bajo
Las trampas de bombeo MIYAWAKI tienen un cabezal de llenado muy bajo, lo que proporciona una buena capacidad sin necesidad de recolectores más altos.
Aplicaciones típicas
● Recuperación de condensado a baja presión (en combinación con colectores)
● Apoyar la descarga de condensado de los intercambiadores de calor que funcionan cerca o por debajo de 0 bar g
● Eliminación de paradas y fallas
*La parada es un fenómeno en el que la trampa de vapor no funciona debido a una caída de presión en el lado primario del dispositivo y la acumulación de condensado dentro del mismo. Esto no solo impide la descarga de condensado, sino que también aumenta la posibilidad de que se produzcan golpes de ariete o corrosión del intercambiador de calor.
Dimensiones/Peso

Dimensiones (mm) | Para mantenimient (mm) | Peso | Peso en funcionamiento | |||||||||
H | H1 | H2 | D | D1* | D2 | W | W1 | E | (kg) | (kg) | ||
660
|
230
|
210
|
880
|
610/620
|
550
|
457
|
50
|
550 or more
|
150 | 220 | ||
Dimensiones (in) | Para mantenimient (in) | Peso | Peso en funcionamiento | |||||||||
H | H1 | H2 | D | D1* | D2 | W | W1 | E | (lb) | (lb) | ||
26.0
|
9.1
|
8.3
|
34.7
|
24.0/24.4
|
21.7
|
18.0
|
2.0
|
21.7 or more
|
330.8 | 485.1 |
●*Dimensiones D1
JIS 10KFF: 610mm (24.0in)
ASME/JPI 150lbRF: 620mm (24.4in)
●El cuerpo del producto también se puede fabricar con acero inoxidable.
También está disponible el modelo de unidad de paquete GLP81-PU que simplifica la conexión y la instalación.
Este paquete compacto incluye la tubería necesaria para la operación de la trampa de bombeo.

Modelo | Conexión | Máx. presión de operación | Máx. temperatura de operación | Medio motor | Material del cuerpo | |||||
Tamaño | PMO(MPa) | PMO (psig) | TMO(℃) | TMO(℉) | ||||||
Entrada de condensado |
Salida de condensado |
Medio motor de la entrada |
Escape | |||||||
GLP81-A |
3" (Bridada*1)
|
2” (Bridada*1)
|
1/2” (Soldable)
|
1” (Soldable)
|
1,05 |
152.25 |
185 | 365 |
Vapor/ aire/ gas nitrógeno |
Acero al Carbono |
*1 Normas de bridas disponibles: JIS16KFF ASME/JPI 150lb
●Máxima presión admisible (PMA): 1,37MPa (199psig)
●Máxima temperatura admisible (TMA): 185℃ (365℉)
●Indique el modelo GLP81-A al realizar el pedido. Este producto se vende en un conjunto que contiene los siguientes accesorios.
Válvula de retención del lado de entrada* | 80A (3”) x1 | |
Junta del lado de entrada | 80A (3”) x1 | |
Tuercas de perno del lado de entrada | 8 juegos (4 juegos para ASME/JPI150lb) |
|
Válvula de retención del lado de salida* | 50A (2”) x1 | |
Junta del lado de salida | 50A (2”) x2 | |
Brida del lado de salida | 50A (2”) x1 | |
|
8 juegos (4 juegos para ASME/JPI150lb) |
*Utilice únicamente los accesorios estándar para las válvulas de retención de los lados de entrada y salida.


Cabezal de llenado | Factores FH | |
mm | in | |
150 | 5.9 | 0,66 |
270 | 10.6 | 0,75 |
370 | 14.5 | 0,82 |
570 | 22.4 | 0,92 |
770 | 30.3 | 1,00 |
970 | 38.2 | 1,01 |
1270 | 50.0 | 1,03 |
la capacidad de este cuadro por los "Factores FH".
Sistema abierto

Sistema cerrado

■Productos relacionados Modelos de referencia
Filtro Y YM1 YSF
Válvulas de retención CVC3
Ventilaciones AT9N AW2
Trampas de vapor A DV1