Ball Float Traps

Air Traps Ball Float Traps
AGC1V
Can be manufactured for horizontal installation Pressure equalizer work not required

Features/Applications
Features
No pressure-balancing lines are required
No need for pressure-balancing lines - saves additional piping
Superb durability
The body of the product is made from stainless steel, making it durable and corrosion-resistant, even in aggressive media.
Small space installation
It can be installed in a small space thanks to vertical installation
Typical applications
Suitable for air pipings, aftercoolers, receiver tanks, and other such applications.
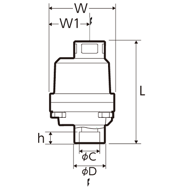
Dimensions/Weight
Dimensions/Weight
Screwed

Size | Dimensions (mm) | Dimensions (in) | Weight | |||||
L | W | W1 | L | W | W1 | (kg) | (lb) | |
1/2” | 127 | 86 | 53 | 5.0 | 3.4 | 2.1 | 1,8 | 4.0 |
3/4” | 136 | 5.4 | 1,9 | 4.2 | ||||
1” | 140 | 51 | 5.5 | 2.0 | 2,1 | 4.6 |
Socket Weld

Size | Dimensions (mm) | Dimensions (in) | Weight | |||||||||||
L | W | W1 | D | C | h | L | W | W1 | D | C | h | (kg) | (lb) | |
1/2” | 127 | 86 | 53 | 36 | 22,2 | 15 | 5.0 | 3.4 | 2.1 | 1.4 | 0.9 | 0.6 | 1,8 | 4.0 |
3/4” | 136 | 41 | 27,7 | 5.4 | 1.6 | 1.1 | 1,9 | 4.2 | ||||||
1” | 140 | 51 | 50 | 34,5 | 5.5 | 2.0 | 2.0 | 1.4 | 2,1 | 4.6 |
Flanged

Size | Dimensions (mm) | Dimensions (in) | Weight (kg) | Weight (lb) | ||||||||||||
L | W | W1 | L | W | W1 | ASME/JPI (RF) | DIN | JIS (FF) | JIS (RF) | ASME/JPI (RF) | DIN | JIS (FF) | JIS (RF) | |||
150lb | 300lb | PN40 | 10K,16K | 20K | 150lb | 300lb | PN40 | 10K,16K | 20K | |||||||
1/2" | 175 | 86 | 53 | 6.9 | 3.4 | 2.1 | 2,9 | 3,3 | 3,3 | 3,3 | 3,5 | 6.4 | 7.3 | 7.3 | 7.3 | 7.7 |
3/4" | 195 | 7.7 | 3,5 | 4,5 | 4,5 | 3,8 | 4,0 | 7.7 | 9.9 | 9.9 | 8.4 | 8.8 | ||||
1" | 215 | 8.5 | 4,2 | 5,3 | 5,3 | 5,0 | 5,3 | 9.2 | 11.7 | 11.7 | 11.0 | 11.7 |
*Customized face-to-face dimensions on request.
*Please contact MIYAWAKI for further information.
Specifications
Model | Connection |
Max. operating pressure |
Max. operating pressure differential |
Max. operating temperature |
Body material |
||||
Type | Size | PMO(MPa) | PMO(psig) | ⊿PMN(MPa) | ⊿PMN(psig) | TMO(℃) | TMO(℉) | ||
AGC1V |
Screwed Rc,NPT |
1/2” | 2,1 | 305 | 2,1 | 305 | 350 | 662 |
Stainless cast steel SCS13A/CF8 |
3/4” | |||||||||
1” | |||||||||
AGC1V-F |
Flanged FF,RF |
1/2” | |||||||
3/4” | |||||||||
1” | |||||||||
AGC1V-W |
Socket Weld SW |
1/2” | |||||||
3/4” | |||||||||
1” |
●Maximum allowable pressure (PMA): 2,1MPa (305psig)
PMA is the pressure that can be tolerated by pressure-resistant parts (body).
●Minimum operating differential pressure (⊿PMN): 0,01MPa (1.5psig)
⊿PMN is the minimum operating differential pressure between the trap inlet and outlet.
●Maximum allowable temperature (TMA): 350℃ (662℉)
TMA is the temperature that can be tolerated by temperature-resistant parts (body).
●A version with the horizontal installation on request. (Model: AGC1)
*Available flange standards: ASME/JPI, DIN, JIS
*Please contact MIYAWAKI for further information.
Discharge Capacity

Download
* Membership registration is required to download the documents.
Features
No pressure-balancing lines are required
No need for pressure-balancing lines - saves additional piping
Superb durability
The body of the product is made from stainless steel, making it durable and corrosion-resistant, even in aggressive media.
Small space installation
It can be installed in a small space thanks to vertical installation
Typical applications
Suitable for air pipings, aftercoolers, receiver tanks, and other such applications.
Dimensions/Weight
Screwed

Size | Dimensions (mm) | Dimensions (in) | Weight | |||||
L | W | W1 | L | W | W1 | (kg) | (lb) | |
1/2” | 127 | 86 | 53 | 5.0 | 3.4 | 2.1 | 1,8 | 4.0 |
3/4” | 136 | 5.4 | 1,9 | 4.2 | ||||
1” | 140 | 51 | 5.5 | 2.0 | 2,1 | 4.6 |
Socket Weld

Size | Dimensions (mm) | Dimensions (in) | Weight | |||||||||||
L | W | W1 | D | C | h | L | W | W1 | D | C | h | (kg) | (lb) | |
1/2” | 127 | 86 | 53 | 36 | 22,2 | 15 | 5.0 | 3.4 | 2.1 | 1.4 | 0.9 | 0.6 | 1,8 | 4.0 |
3/4” | 136 | 41 | 27,7 | 5.4 | 1.6 | 1.1 | 1,9 | 4.2 | ||||||
1” | 140 | 51 | 50 | 34,5 | 5.5 | 2.0 | 2.0 | 1.4 | 2,1 | 4.6 |
Flanged

Size | Dimensions (mm) | Dimensions (in) | Weight (kg) | Weight (lb) | ||||||||||||
L | W | W1 | L | W | W1 | ASME/JPI (RF) | DIN | JIS (FF) | JIS (RF) | ASME/JPI (RF) | DIN | JIS (FF) | JIS (RF) | |||
150lb | 300lb | PN40 | 10K,16K | 20K | 150lb | 300lb | PN40 | 10K,16K | 20K | |||||||
1/2" | 175 | 86 | 53 | 6.9 | 3.4 | 2.1 | 2,9 | 3,3 | 3,3 | 3,3 | 3,5 | 6.4 | 7.3 | 7.3 | 7.3 | 7.7 |
3/4" | 195 | 7.7 | 3,5 | 4,5 | 4,5 | 3,8 | 4,0 | 7.7 | 9.9 | 9.9 | 8.4 | 8.8 | ||||
1" | 215 | 8.5 | 4,2 | 5,3 | 5,3 | 5,0 | 5,3 | 9.2 | 11.7 | 11.7 | 11.0 | 11.7 |
*Customized face-to-face dimensions on request.
*Please contact MIYAWAKI for further information.
Model | Connection |
Max. operating pressure |
Max. operating pressure differential |
Max. operating temperature |
Body material |
||||
Type | Size | PMO(MPa) | PMO(psig) | ⊿PMN(MPa) | ⊿PMN(psig) | TMO(℃) | TMO(℉) | ||
AGC1V |
Screwed Rc,NPT |
1/2” | 2,1 | 305 | 2,1 | 305 | 350 | 662 |
Stainless cast steel SCS13A/CF8 |
3/4” | |||||||||
1” | |||||||||
AGC1V-F |
Flanged FF,RF |
1/2” | |||||||
3/4” | |||||||||
1” | |||||||||
AGC1V-W |
Socket Weld SW |
1/2” | |||||||
3/4” | |||||||||
1” |
●Maximum allowable pressure (PMA): 2,1MPa (305psig)
PMA is the pressure that can be tolerated by pressure-resistant parts (body).
●Minimum operating differential pressure (⊿PMN): 0,01MPa (1.5psig)
⊿PMN is the minimum operating differential pressure between the trap inlet and outlet.
●Maximum allowable temperature (TMA): 350℃ (662℉)
TMA is the temperature that can be tolerated by temperature-resistant parts (body).
●A version with the horizontal installation on request. (Model: AGC1)
*Available flange standards: ASME/JPI, DIN, JIS
*Please contact MIYAWAKI for further information.

* Membership registration is required to download the documents.